Torque setting for front engine mount
Torque setting for front engine mount
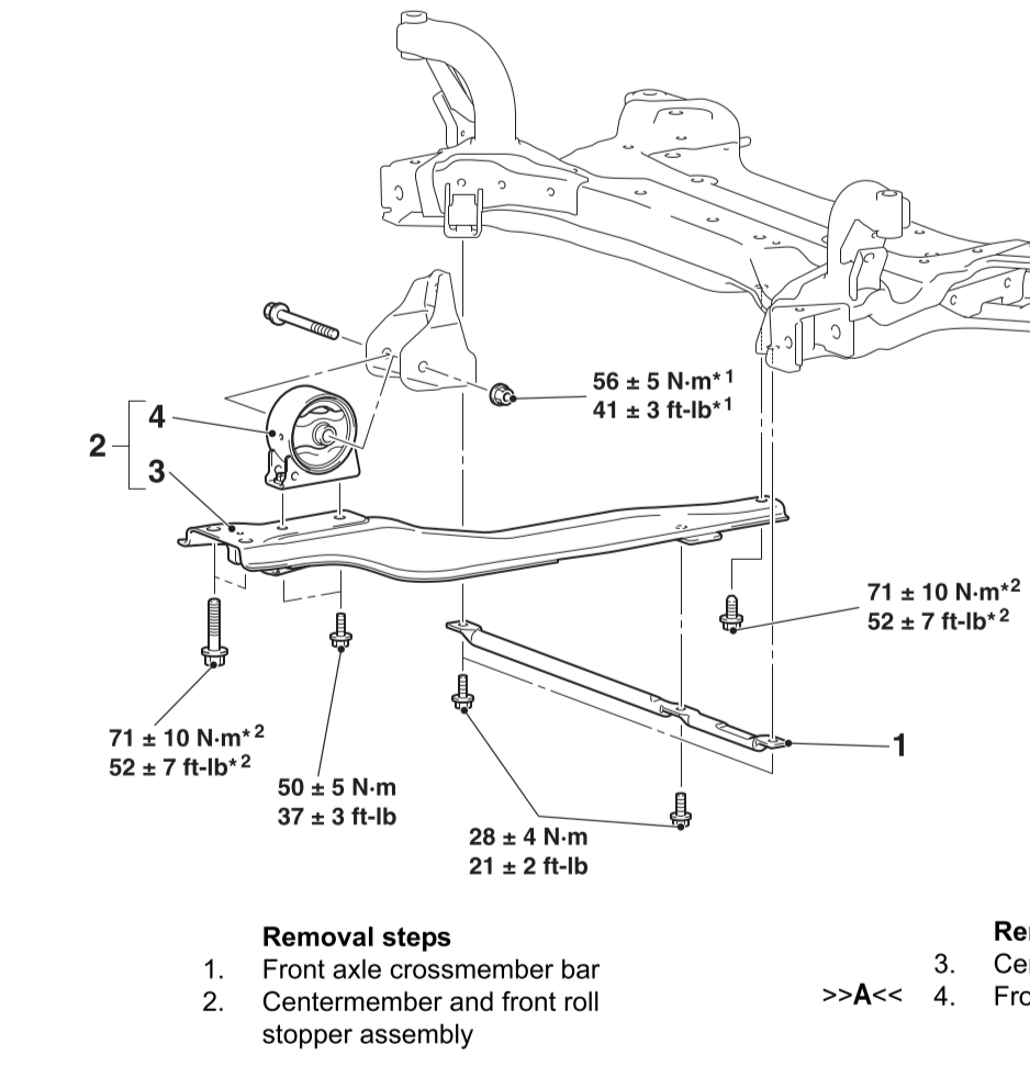
I've searched everywhere, found lists of common torque settings, but none for the front engine mount. Two bolts in the frame. Two in the engine. One through the centre of the rubber bush. Can anyone point me at a manual or a comprehensive torque listing?
thanks again for any help.
Jim M.
thanks again for any help.
Jim M.
Thread
Thread Starter
Forum
Replies
Last Post
fantrman
For Sale/WTB - Engine / Drivetrain / Power
0
Oct 12, 2014 12:05 PM
dr_latino999
For Sale/WTB - Engine / Drivetrain / Power
3
Mar 16, 2011 08:01 AM









