torque patterns
Your local library? Many have access to AllData, a service mechanics use.
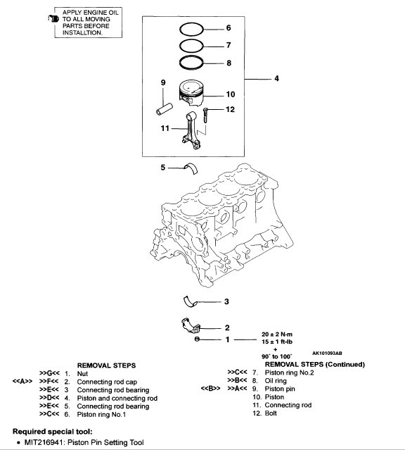
Since you didn't list a motor, I'm going to give you the 4G94 data...
There's a TON more, so try to get access at a library or something...

Since you didn't list a motor, I'm going to give you the 4G94 data...
There's a TON more, so try to get access at a library or something...








