Notices
Project Cars / Build Threads Please post your build threads here.

Found EVO 7 roller in the forest / Project

Thread Tools
 
Search this Thread
 
Old Nov 13, 2023 | 07:05 AM
  #31  
hrvat-9's Avatar
Thread Starter
Newbie
 
Joined: Dec 2021
Posts: 37
Likes: 20
From: Ontario, canada
So I have a fuel issue. I have zero fuel coming up through the line into the fuel rail. Does the pump not prime when you turn the key? Or does it prime while cranking?
I have 5v at the plug with the key on

edit : just found out that starting from the 7, these had immobilizers and I don’t have the original key how can you disable the immobilizer?

2nd edit: if it was the immobilizer , I probably wouldn’t have spark but I do. Pulled the fuel hanger and the pump is dead ; nothing when I put 12v directly to it so a new pump it is!

Last edited by hrvat-9; Nov 14, 2023 at 05:19 AM.
Reply
Old Nov 13, 2023 | 03:05 PM
  #32  
osetsky's Avatar
Evolved Member
15 Year Member
Liked
Loved
Community Favorite
 
Joined: Aug 2009
Posts: 843
Likes: 166
From: canada
You need ecuflah. Or, I got the set from my 8 chassis, key barrel, ecu, keys...uh, the whole kit I believe.

Last edited by osetsky; Nov 13, 2023 at 03:08 PM. Reason: probably still would need to flash ecu with some immobilzer code anyway
Reply
Old Nov 14, 2023 | 04:45 PM
  #33  
hrvat-9's Avatar
Thread Starter
Newbie
 
Joined: Dec 2021
Posts: 37
Likes: 20
From: Ontario, canada
New walbro 255 is in and it doesn’t prime ? I have spark but no gas
what’s going on
Reply
Old Nov 15, 2023 | 07:47 PM
  #34  
hrvat-9's Avatar
Thread Starter
Newbie
 
Joined: Dec 2021
Posts: 37
Likes: 20
From: Ontario, canada
When I put 12v right to the plug that goes to the fuel pump 3 on the firewall , the fuel pump runs.
Reply
Old Nov 16, 2023 | 10:26 AM
  #35  
Kevin.'s Avatar
EvoM Community Team Leader
15 Year Member
Photogenic
Liked
Community Favorite
iTrader: (7)
 
Joined: Oct 2009
Posts: 768
Likes: 148
From: PHL
Check crank angle sensor
Reply
Old Nov 16, 2023 | 02:38 PM
  #36  
hrvat-9's Avatar
Thread Starter
Newbie
 
Joined: Dec 2021
Posts: 37
Likes: 20
From: Ontario, canada
Originally Posted by Kevin.
Check crank angle sensor
does that stop the fuel pump from running ? z my Injectors are firing and I have spark
Reply
Old Nov 21, 2023 | 06:35 PM
  #37  
hrvat-9's Avatar
Thread Starter
Newbie
 
Joined: Dec 2021
Posts: 37
Likes: 20
From: Ontario, canada
Got it to run like a tractor since everything is open right now lol (vacuum lines, no piping, nothing blocked off bla bla) I’ll get a new cas just incase that does somehow stop the fuel pump from running. The first fuel pump relay clicks when the key is on, the second and third dont so they must go off while cranking ( didn’t have a second person to confirm that) but what I need to know is if the cas cuts fuel when it’s crapping out. I have spark , and the car runs when I jump a wire where the 2 or 3rd pump relay is. I have someone local coming with ecu flash to disable the egr and immobilizer tomorrow , so I’ll know for sure what to do next

Reply
Old Nov 21, 2023 | 09:37 PM
  #38  
harry wilson's Avatar
Account Disabled
 
Joined: Dec 2021
Posts: 71
Likes: 16
From: toronto
that's a lot of smoke coming out of there





Last edited by harry wilson; Nov 22, 2023 at 06:43 AM.
Reply
Old Nov 22, 2023 | 05:09 AM
  #39  
hrvat-9's Avatar
Thread Starter
Newbie
 
Joined: Dec 2021
Posts: 37
Likes: 20
From: Ontario, canada
Originally Posted by harry wilson
that's a lot of smoke coming out of there
oh yeah, downpipe open, hasnt ran in who knows how long , all sorts of stuff burning off the engine , running rich for sure too
Reply
Old Nov 22, 2023 | 05:29 AM
  #40  
Jahtoot's Avatar
Evolving Member
 
Joined: Apr 2015
Posts: 107
Likes: 40
From: Arizona
She's ALIVE ! congrats on progress
Reply
Old Nov 22, 2023 | 03:18 PM
  #41  
hrvat-9's Avatar
Thread Starter
Newbie
 
Joined: Dec 2021
Posts: 37
Likes: 20
From: Ontario, canada
Local guy came by and disabled the immobilizer and the egr stuff…..still no fuel and still no start going to try another CAS when it comes in
Reply
Old Nov 22, 2023 | 06:18 PM
  #42  
osetsky's Avatar
Evolved Member
15 Year Member
Liked
Loved
Community Favorite
 
Joined: Aug 2009
Posts: 843
Likes: 166
From: canada
Have you posted in the engine forum itself? Might wanna ask direct in there to be sure smart guys see your query?
Reply
Old Dec 4, 2023 | 09:39 AM
  #43  
hrvat-9's Avatar
Thread Starter
Newbie
 
Joined: Dec 2021
Posts: 37
Likes: 20
From: Ontario, canada
Originally Posted by osetsky
Have you posted in the engine forum itself? Might wanna ask direct in there to be sure smart guys see your query?
no I have not .

i got a new CAS and installed it and still the same issue. I noticed the 2nd really clicks when cranking so I know it has to be the third relay that isn’t doing what it’s supposed to. When I took it off and checked it with 12v , it clicks like it should. So I have something with wiring potentially not giving power or not grounding the 3rd relay in the engine bay(which ever way it works)
Reply
Old Dec 4, 2023 | 06:31 PM
  #44  
hrvat-9's Avatar
Thread Starter
Newbie
 
Joined: Dec 2021
Posts: 37
Likes: 20
From: Ontario, canada
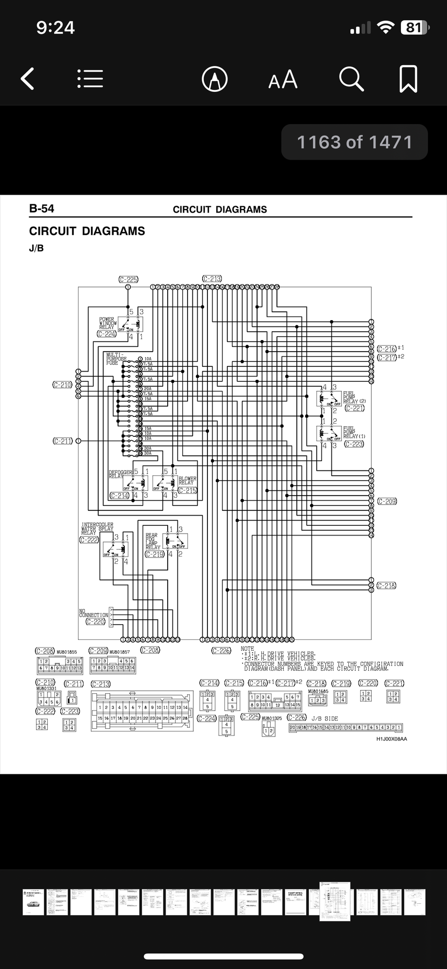
I remembered that my right hand flooring harness was all patched up; someone was in here before. Can someone take a picture of their connector c-217? Am I missing pin 1 and 8? ( the two on the right) pin 1 directly ties into fuel pump relay 2 and pin 8 bounces around to a couple of connectors


Reply
Old Dec 5, 2023 | 11:44 AM
  #45  
Kevin.'s Avatar
EvoM Community Team Leader
15 Year Member
Photogenic
Liked
Community Favorite
iTrader: (7)
 
Joined: Oct 2009
Posts: 768
Likes: 148
From: PHL
Originally Posted by hrvat-9
I remembered that my right hand flooring harness was all patched up; someone was in here before. Can someone take a picture of their connector c-217? Am I missing pin 1 and 8? ( the two on the right) pin 1 directly ties into fuel pump relay 2 and pin 8 bounces around to a couple of connectors
I'll go check my car. I had removed an alarm and sound system before I got a tune and now I get intermittent lean condition that comes and goes. It has to be something with the fuel pump relay. I'll get relay clicking at startup or in the middle of driving, right from that interior fuse box area. I'm convinced it's something electrical.

Here's a pic from an interior fuse box thread:

Reply



All times are GMT -7. The time now is 05:33 PM.