CVT Issue - HELP!
2010 Mitsubishi Lancer GTS, 166,xxx miles - I went to go to work this morning, and out of nowhere I got a CEL for 'Transmission Pressure Low', and the car started shifting oddly - I pulled over, and checked the CVT fluid, which was right in between C and H, and thought it was just the car having a little hiccup - I started driving again, and the car was shifting fine for a few minutes, but once I had to stop, and tried to go again, the car would not move - The RPMs very slowly climbed up, and the car finally started moving again, but acted like it was trying to drive through syrup. Is there a fluid pressure switch that can be easily checked/replaced without having to take the whole transmission apart? I am assuming it is a pressure sensor that failed, since the fluid level is fine. Thanks in advance!
You ever get this figured out? I'm sure you already googled it yourself but from what I found it sounded like these things would be a good place to start/check on:
- Fixing leaks in the transmission system
- Transmission temperature sensor
- Transmission high pressure pump
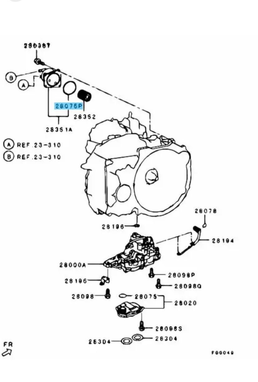
I ended up having the valve body replaced, but lost the lip seal when I put it back together, so right now I only have reverse and first gear, and I can't find the lip seal anywhere online (Even the Mitsubishi dealer can't find a part number for it), so until I find either a seal, or a way to rig it, my car is dead in the water 

Does this maybe help?
Thread
Thread Starter
Forum
Replies
Last Post
Evo8life
Evo Engine / Turbo / Drivetrain
5
Oct 5, 2019 11:51 PM



