Notices
Evo Electrical / Audio / Security Discuss electrical systems, audio system upgrades, or alarm configurations.

Evo 8 Need help with cluster pin description

Thread Tools
 
Search this Thread
 
Old May 28, 2023 | 07:37 AM
  #1  
elsma's Avatar
Thread Starter
Newbie
 
Joined: May 2023
Posts: 6
Likes: 0
From: France
Evo 8 Need help with cluster pin description

Hello,

I recently had a workshop work on my car to delete an ugly gauge a previous owner had installed. However in the process I think they cut the power to it but I believe that wire was also the one going to the cluster. Since then I can't get my background light to turn on on my cluster (everything else works, like speed, icons, odometer etc). I've tried replacing the bulbs with new OEM from Mistubishi but it didn't solved the problem. The shop doesn't reply to my calls anymore and I live far away from them so going at them is not an option at the moment.

I thought about sending the power from the position light pin to the dash illumination pin but I can't identify them or simply find the right pin and follow it back to see where it was cut. Can anyone help me ?

Last edited by elsma; May 29, 2023 at 05:02 AM.
Reply
Old May 29, 2023 | 01:49 PM
  #2  
CDrinkH2O's Avatar
EvoM Guru
15 Year Member
Liked
Loved
Community Favorite
iTrader: (7)
 
Joined: Nov 2006
Posts: 1,147
Likes: 162
From: San Francisco
Originally Posted by elsma
Hello,

I recently had a workshop work on my car to delete an ugly gauge a previous owner had installed. However in the process I think they cut the power to it but I believe that wire was also the one going to the cluster. Since then I can't get my background light to turn on on my cluster (everything else works, like speed, icons, odometer etc). I've tried replacing the bulbs with new OEM from Mistubishi but it didn't solved the problem. The shop doesn't reply to my calls anymore and I live far away from them so going at them is not an option at the moment.

I thought about sending the power from the position light pin to the dash illumination pin but I can't identify them or simply find the right pin and follow it back to see where it was cut. Can anyone help me ?
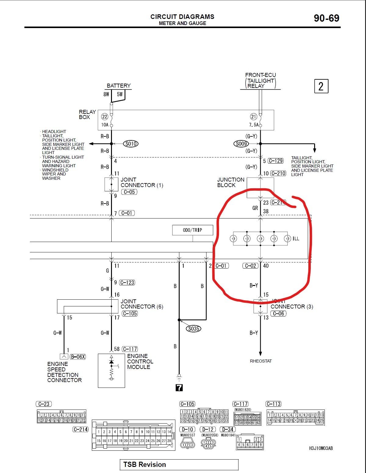
Power for the cluster lights is provided by the grey wire to pin 38 on the 20 pin connector behind the cluster. Pins 31 to 51 are on the long connector C-02. The earth is on the black/yellow wire on pin 40. Earth is routed through the rheostat (dimmer) switch by the driver's left knee. This may be where the connection was cut.



Reply
Old May 30, 2023 | 07:27 AM
  #3  
elsma's Avatar
Thread Starter
Newbie
 
Joined: May 2023
Posts: 6
Likes: 0
From: France
Hello, thank you, I've been able to get the lights back up again !

They are very very dim however. I've heard US version have a rheostat to calibrate the brightness but in my EUDM version I have the fog light instead. Is there a way I can increase the brightness of the cluster ? This what I have.


Reply
Old Jun 1, 2023 | 05:42 PM
  #4  
CDrinkH2O's Avatar
EvoM Guru
15 Year Member
Liked
Loved
Community Favorite
iTrader: (7)
 
Joined: Nov 2006
Posts: 1,147
Likes: 162
From: San Francisco
Make sure you have a good earth on pin 40. Then they will be as bright as they can be.
Reply
Old Jun 16, 2023 | 12:36 PM
  #5  
elsma's Avatar
Thread Starter
Newbie
 
Joined: May 2023
Posts: 6
Likes: 0
From: France
Checked all the grounds I could find and still had the same dim lights. I ended up buying led bulbs on aliexpress and it solved the issue with a nice bright light
Reply
Related Topics
Thread
Thread Starter
Forum
Replies
Last Post
rosuegk7
Evo General
2
Apr 19, 2017 08:28 PM
Jinskullz
Evo General
4
Nov 22, 2016 12:28 PM
black_beauty
Evo General
11
Apr 3, 2015 04:03 PM
thadon84
Evo General
3
Jul 10, 2005 06:04 PM
vletnguyen
Evo General
1
Sep 25, 2004 08:11 PM




All times are GMT -7. The time now is 10:36 AM.