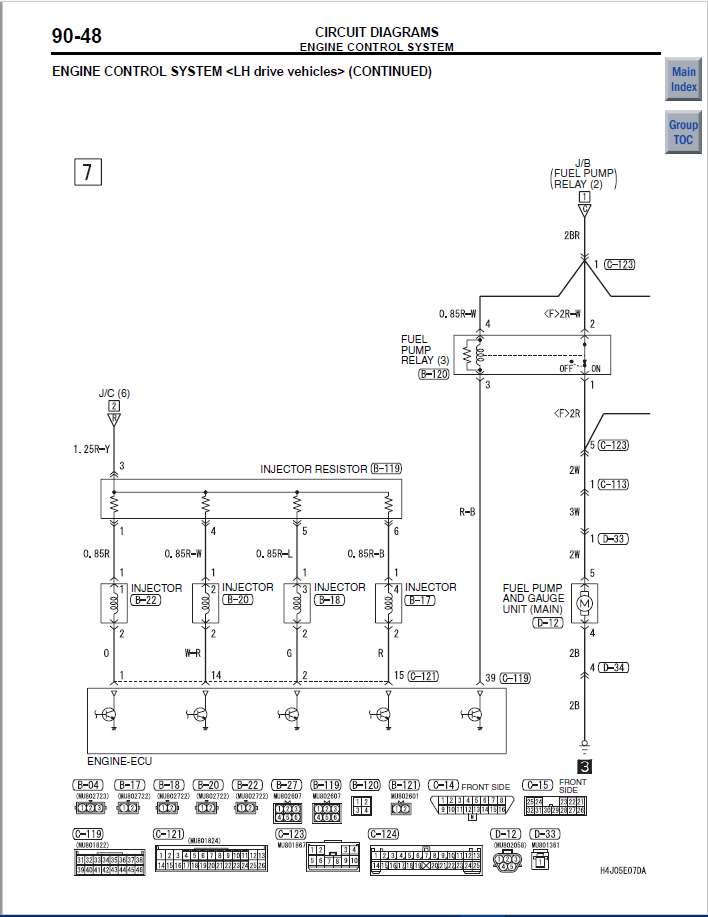
No start issue. Not getting fuel
Nothing. Plugs are good, no corrosion or bent pins. Grounds check good. Ecu isn't pulsing ground.... ecu worked fine before I put this harness in so Idk what to do.. original harness is all cut but I got tired of trying to pull it out do to previous owners.
Ok started. Had to hold gas to floor and it fired.... weird I know. But starts every time now. Just gotta fix the lean issue trying to flash a stock tune back onto it.
hey 4bslayer you commented on my other post about a stock evo 8 tune with that link. They don't ha e a file for a 03 evo 8. Is It fine to use the 04 or 05
hey 4bslayer you commented on my other post about a stock evo 8 tune with that link. They don't ha e a file for a 03 evo 8. Is It fine to use the 04 or 05
Thread
Thread Starter
Forum
Replies
Last Post
geevolution
Evo Engine / Turbo / Drivetrain
7
Dec 31, 2009 05:31 PM







