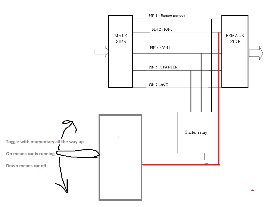
DIY: Engine Start Button (Evo 9)
this is nothing hard to do. you just dont see it often because its stupid.
VERY easy to do.
now, figure out a way where you dont have to turn the key first without making it easy to steal
i would be all over that if it was possible.
ricer style points maybe.
now dont get all butthurt, it is a nice write up. but dont you feel sketched out with the way you went in between the connectors instead of just tapping into the wires? looks easy for a wire to come off later on down the road. what if it happens while you are driving down the highway at 80mph and your car dies....oops
VERY easy to do.
now, figure out a way where you dont have to turn the key first without making it easy to steal
ricer style points maybe.
now dont get all butthurt, it is a nice write up. but dont you feel sketched out with the way you went in between the connectors instead of just tapping into the wires? looks easy for a wire to come off later on down the road. what if it happens while you are driving down the highway at 80mph and your car dies....oops
You can have the car turn on without turning the key. You have to erase the transponder code in the key. Bam.
Thread
Thread Starter
Forum
Replies
Last Post











